Тройники ГОСТ 17376-01
Тройники бесшовные приварные равнопроходные и переходные из углеродистой и низколегированной стали

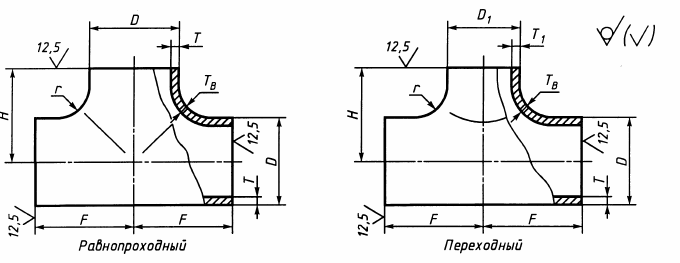
Область применения тройников — в соответствии с разделом 1 ГОСТ 17380
|
DN |
D |
T |
D1 |
T1 |
F |
H |
Масса, кг |
|
15 |
21,3 |
2,0 3,2 4,0 |
21,3 |
2,0 3,2 4,0 |
25 |
25 |
0,19 0,30 0,38 |
|
20 |
26,9 |
2,0 3,2 4,0 |
2,0 3,2 4,0 |
29 |
29 |
0,26 0,42 0,52 |
|
|
2,0 3,2 4,0 |
26,9 |
2,0 3,2 4,0 |
0,23 0,37 0,46 |
||||
|
25 |
33,7 |
2,3 3,2 4,5 |
21,3 |
2,0 3,2 4,0 |
38 |
38 |
0,25 0,35 0,40 |
|
2,3 3,2 4,5 |
26,9 |
2,0 3,2 4,0 |
0,25 0,35 0,40 |
2,3 3,2 4,5 |
33,7 |
2,3 3,2 4,5 |
0,40 0,64 0,80 |
|
32 |
42,4 |
2,6 3,6 5,0 |
21,3 |
2,0 3,2 4,0 |
48 |
48 |
0,79 1,10 1,50 |
|
2,6 3,6 5,0 |
26,9 |
2,0 3,2 4,0 |
0,79 1,10 1,50 |
||||
|
2,6 3,6 5,0 |
33,7 |
2,3 3,2 4,0 |
0,79 1,10 1,50 |
||||
|
2,6 3,6 5,0 |
42,4 |
2,6 3,6 5,0 |
0,79 1,10 1,50 |
||||
|
40 |
48,3 |
2,6 3,6 5,0 |
26,9 |
2,0 3,2 4,0 |
57 |
57 |
1,00 1,40 2,00 |
|
2,6 3,6 5,0 |
33,7 |
2,3 3,2 4,5 |
1,00 1,40 2,00 |
||||
|
2,6 3,6 5,0 |
42,4 |
2,6 3,6 5,0 |
1,00 1,40 2,00 |
||||
|
2,6 3,6 5,0 |
48,3 |
2,6 3,6 5,0 |
1,00 1,40 2,00 |
||||
|
50 |
60,3 |
2,9 4,0 5,6 |
33,7 |
2,9 4,0 5,6 |
64 |
51 |
1,60 2,20 3,00 |
|
2,9 4,0 5,6 |
42,4 |
2,6 3,6 5,0 |
57 |
1,60 2,20 3,00 |
|||
|
2,9 4,0 5,6 |
48,3 |
2,6 3,6 5,0 |
60 |
1,60 2,20 3,00 |
|||
|
2,9 4,0 5,6 |
60,3 |
2,3 3,2 4,5 |
64 |
1,60 2,20 3,00 |
|||
|
65 |
76,1 |
2,9 5,0 7,1 |
42,4 |
2,6 3,6 5,0 |
76 |
64 |
3,2 5,5 7,90 |
|
2,9 5,0 7,1 |
48,3 |
2,9 4,0 5,6 |
67 |
3,2 5,5 7,90 |
|||
|
2,9 5,0 7,1 |
60,3 |
2,6 3,6 5,0 |
70 |
3,2 5,5 7,90 |
|||
|
2,9 5,0 7,1 |
76,1 |
2,9 5,0 7,1 |
76 |
3,2 5,5 7,90 |
|||
|
80 |
88,9 |
3,2 5,6 8,0 |
48,3 |
2,9 4,0 5,6 |
86 |
73 |
2,20 4,00 5,50 |
|
3,2 5,6 8,0 |
60,3 |
2,9 4,0 5,6 |
76 |
2,20 4,00 5,50 |
|||
|
3,2 5,6 8,0 |
76,1 |
2,9 5,0 7,1 |
83 |
2,50 4,50 6,20 |
|||
|
3,2 5,6 8,0 |
88,9 |
3,2 5,6 8,0 |
86 |
2,50 4,50 6,20 |
|||
|
100 |
114,3 |
3,6 6,3 8,8 |
60,3 |
2,7 4,0 5,6 |
105 |
89 |
3,80 6,70 10,00 |
|
3,6 6,3 8,8 |
76,1 |
2,9 5,0 7,1 |
95 |
4,50 7,80 10,00 |
|||
|
3,6 6,3 8,8 |
88,9 |
3,2 5,6 8,0 |
98 |
4,50 7,80 10,00 |
|||
|
3,6 6,3 8,8 |
114,3 |
3,6 6,3 8,8 |
105 |
4,50 7,80 10,00 |
|||
|
125 |
139,7 |
4,0 6,3 10,0 |
76,1 |
2,9 5,0 7,1 |
124 |
108 |
3,40 5,30 16,00 |
|
4,0 6,3 10,0 |
88,9 |
3,2 5,6 8,0 |
111 |
3,40 5,30 16,00 |
|||
|
4,00 6,30 10,0 |
114,3 |
3,6 6,3 8,8 |
117 |
3,40 5,30 16,00 |
4,0 6,3 10,0 |
139,7 |
4,0 6,3 10,0 |
124 |
3,40 5,30 16,00 |
|
150 |
168,3 |
4,5 7,1 11,0 |
88,9 |
3,2 5,6 8,0 |
143 |
124 |
9,40 16,00 24,00 |
|
4,5 7,1 11,0 |
114,3 |
3,6 6,3 8,8 |
130 |
9,40 16,00 24,00 |
|||
|
4,5 7,1 11,0 |
139,7 |
4,0 6,3 10,0 |
137 |
9,40 16,00 24,00 |
|||
|
4,5 7,1 11,0 |
168,3 |
4,5 7,1 11,0 |
143 |
9,4 16,00 24.00 |
|||
|
200 |
219,1 |
6,3 8,0 12,5 |
114,3 |
3,6 6,3 8,8 |
178 |
156 |
16,0 20,00 43,00 |
|
6,3 8,0 12,5 |
139,7 |
4,0 6,3 10,0 |
162 |
16,0 20,00 43,00 |
|||
|
6,3 8,0 12,5 |
168,3 |
4,5 7,1 11,0 |
168 |
16,00 20,00 43,00 |
|||
|
6,3 8,0 12,5 |
219,1 |
6,3 8,0 12,5 |
178 |
23,00 29,00 44,00 |
|||
|
250 |
273,0 |
6,3 10,0 |
139,7 |
4,0 6,3 |
216 |
191 |
33,0 52,0 |
|
6,3 10,0 |
168,3 |
4,5 7,1 |
194 |
33,0 52,0 |
|||
|
6,3 10,0 |
219,1 |
6,3 7,1 |
203 |
33,0 52,0 |
|||
|
6,3 10,0 |
273,0 |
6,3 10,0 |
216 |
33,0 52,0 |
|||
|
300 |
323,9 |
7,1 10,0 |
168,3 |
4,5 7,1 |
254 |
219 |
47,00 66,00 |
|
7,1 10,0 |
219,0 |
6,3 8,0 |
229 |
47,0 66,00 |
|||
|
7,1 10,0 |
273,0 |
6,3 8,0 |
241 |
47,00 66,00 |
|||
|
7,1 10,0 |
323,9 |
7,1 10,0 |
254 |
54,00 77,00 |
|||
|
350 |
355,6 |
8,0 11,0 |
219,1 |
6,3 8,0 |
279 |
248 |
- |
|
8,0 11,0 |
273,0 |
6,3 10,0 |
257 |
||||
|
8,0 11,0 |
323,9 |
7,1 10,0 |
270 |
||||
|
8,0 11,0 |
355,6 |
8,0 11,0 |
279 |
68,00 94,00 |
|||
|
400 |
406,4 |
8,8 12,5 |
273,0 |
6,3 10,0 |
305 |
283 |
- |
|
8,8 12,5 |
323,9 |
7,1 10,0 |
295 |
||||
|
8,8 12,5 |
355,6 |
8,0 10,0 |
305 |
||||
|
8,8 12,5 |
406,4 |
8,8 12,5 |
88,00 131,00 |
||||
|
450 |
457,0 |
10,0 |
323,9 |
7,1 |
343 |
321 |
- |
|
355,6 |
8,0 |
330 |
|||||
|
355,6 |
11,0 |
||||||
|
406,4 |
8,8 |
||||||
|
457,0 |
10,0 |
343 |
|||||
|
500 |
508,0 |
11,0 |
355,6 |
8,0 |
381 |
356 |
- |
|
406,4 |
8,8 |
||||||
|
457,0 |
10,0 |
368 |
|||||
|
508,0 |
11,0 |
381 |
|||||
|
600 |
610,0 |
12,5 |
406,4 |
8,8 |
432 |
406 |
457,0 |
10,0 |
419 |
508,0 |
11,0 |
432 |
|
610,0 |
12,5 |
||||||
|
700 |
711,0 |
- |
711,0 |
- |
521 |
521 |
|
|
800 |
813,0 |
813,0 |
597 |
597 |
|||
|
900 |
914,0 |
914,0 |
673 |
673 |
|||
|
1000 |
1016,0 |
1016,0 |
749 |
749 |
|||
|
Примечание - Масса приведена для справок. |
|||||||
|
DN |
D |
T |
D1 |
T1 |
F |
H |
r, не менее |
Масса, кг |
|
15 |
20 |
2,0 3,0 4,0 |
|
|
25 |
15 |
3 |
0,2 0,2 0,3 |
|
20 |
25 |
2,0 3,0 4,0 |
20 |
2,0 3,0 4,0 |
29 |
20 |
0,3 0,3 0,4 |
|
|
2,0 3,0 4,0 |
25 |
|
0,3 0,3 0,4 |
|||||
|
25 |
32 |
2,0 3,0 4,0 |
20 |
2,0 3,0 4,0 |
38 |
25 |
0,3 0,4 0,4 |
|
|
2,0 3,0 4,0 |
25 |
2,0 3,0 4,0 |
0,3 0,4 0,4 |
|||||
|
2,0 3,0 4,0 |
32 |
|
0,3 0,4 0,4 |
|||||
|
32 |
38 |
2,0 3,0 4,0 |
20 |
2,0 3,0 4,0 |
32 |
32 |
4 |
0,3 0,4 0,4 |
|
2,0 3,0 4,0 |
25 |
2,0 3,0 4,0 |
0,3 0,4 0,4 |
|||||
|
2,0 3,0 4,0 |
32 |
2,0 3,0 4,0 |
0,3 0,4 0,4 |
|||||
|
2,0 3,0 4,0 |
38 |
|
0,3 0,4 0,4 |
|||||
|
40 |
45 |
2,5 4,0 5,0 |
- |
- |
40 |
40 |
5 |
0,3 0,4 0,4 |
|
50 |
57 |
3,0 4,0 5,0 |
45 |
2,5 3,0 4,0 |
50 |
45 |
0,4 0,6 0,7 |
|
|
3,0 4,0 5,0 |
57 |
|
0,4 0,6 0,7 |
|||||
|
65 |
76 |
3,5 6,0 7,0 |
45 |
2,5 4,0 5,0 |
65 |
60 |
0,8 1,4 1,6 |
|
|
3,5 6,0 7,0 |
57 |
3,0 5,0 5,5 |
0,8 1,4 1,6 |
|||||
|
3,5 6,0 7,0 |
76 |
|
0,8 1,4 1,6 |
|||||
|
80 |
89 |
3,5 6,0 8,0 |
57 |
3,0 4,0 5,0 |
80 |
70 |
1,5 2,0 2,7 |
|
|
3,5 6,0 8,0 |
76 |
3,5 6,0 7,0 |
1,5 2,0 2,7 |
|||||
|
3,5 6,0 8,0 |
89 |
|
1,5 2,0 2,7 |
|||||
|
100 |
108 |
4,0 6,0 8,0 9,0 |
76 |
3,5 5,0 6,0 7,0 |
100 |
80 |
2,2 3,3 4,5 4,9 |
|
|
4,0 6,0 8,0 9,0 |
89 |
4,0 6,0 8,0 8,0 |
2,2 3,3 4,5 4,9 |
|||||
|
4,0 6,0 8,0 9,0 |
108 |
|
2,2 3,3 4,5 4,9 |
|||||
|
100 |
114 |
4,0 5,0 6,0 9,0 |
76 |
3,5 5,0 6,0 7,0 |
100 |
90 |
5 |
3,0 3,7 4,4 6,5 |
|
4,0 5,0 6,0 9,0 |
89 |
4,0 5,0 6,0 8,0 |
3,0 3,7 4,4 6,5 |
|||||
|
4,0 5,0 6,0 9,0 |
114 |
4,0 5,0 6,0 9,0 |
3,0 3,7 4,4 6,5 |
|||||
|
125 |
133 |
4,0 6,0 8,0 10,0 12,0 |
89 |
3,5 5,0 6,0 8,0 9,0 |
110 |
95 |
6 |
2,9 4,1 5,9 6,8 8,0 |
|
4,0 6,0 8,0 10,0 12,0 |
108 |
4,0 5,0 6,0 9,0 10,0 |
2,9 4,1 5,9 6,8 8,0 |
|||||
|
4,0 6,0 8,0 10,0 12,0 |
133 |
|
2,9 4,1 5,9 6,8 8,0 |
|||||
|
150 |
159 |
4,5 6,0 8,0 10,0 12,0 |
108 |
4,0 5,0 6,0 9,0 10,0 |
130 |
110 |
8 |
4,8 6,6 9,0 10,1 12,2 |
|
4,5 6,0 8,0 10,0 12,0 |
133 |
4,0 5,0 6,0 10,0 12,0 |
4,8 6,6 9,0 10,1 12,2 |
|||||
|
4,5 6,0 8,0 10,0 12,0 |
159 |
|
4,8 6,6 9,0 10,1 12,2 |
|||||
|
200 |
219 |
6,0 8,0 10,0 12,0 16,0 |
133 |
5,0 6,0 8,0 10,0 16,0 |
160 |
140 |
10 |
10,2 13,8 16,8 19,9 26,6 |
|
6,0 8,0 10,0 12,0 16,0 |
159 |
6,0 6,0 8,0 11,0 12,0 |
10,2 13,8 16,8 19,9 26,6 |
|||||
|
6,0 8,0 10,0 12,0 16,0 |
219 |
|
10,2 13,8 16,8 19,9 26,6 |
|||||
|
250 |
273 |
7,0 10,0 12,0 16,0 18,0 |
159 |
4,5 6,0 8,0 11,0 12,0 |
190 |
175 |
12 |
18,4 26,0 31,2 41,6 46,8 |
|
7,0 10,0 12,0 16,0 18,0 |
219 |
6,0 8,0 10,0 12,0 16,0 |
18,4 26,0 31,2 41,6 46,8 |
|||||
|
7,0 10,0 12,0 16,0 18,0 |
273 |
|
18,4 26,0 31,2 41,6 46,8 |
|||||
|
300 |
325 |
8,0 10,0 12,0 16,0 22,0 |
219 |
6,0 8,0 10,0 12,0 16,0 |
220 |
200 |
15 |
27,4 34,2 41,1 54,8 75,3 |
|
8,0 10,0 12,0 16,0 22,0 |
273 |
7,0 10,0 12,0 16,0 18,0 |
27,4 34,2 41,1 54,8 75,3 |
|||||
|
8,0 10,0 12,0 16,0 22,0 |
325 |
|
27,4 34,2 41,1 54,8 75,3 |
|||||
|
350 |
377 |
10,0 12,0 16,0 20,0 |
273 |
7,0 10,0 12,0 16,0 |
240 |
225 |
15 |
46,0 55,2 73,6 92,0 |
|
10,0 12,0 16,0 20,0 |
325 |
8,0 10,0 16,0 18,0 |
46,0 55,2 73,6 92,0 |
|||||
|
10,0 12,0 16,0 20,0 |
377 |
|
46,0 55,2 73,6 92,0 |
|||||
|
400 |
426 |
10,0 12,0 16,0 18,0 |
325 |
8,0 10,0 12,0 16,0 |
270 |
250 |
18 |
55,5 66,6 88,8 100,0 |
|
10,0 12,0 16,0 18,0 |
377 |
10,0 12,0 16,0 18,0 |
55,5 66,6 88,8 100,0 |
|||||
|
10,0 12,0 16,0 18,0 |
426 |
|
55,5 66,6 88,8 100,0 |
|||||
|
Примечания 1. Масса приведена для справок. 2. Масса соответствует тройникам, изготовляемым из труб с размерами D и T гидроштамповкой. При изготовлении другими способами и (или) из других заготовок массу устанавливает изготовитель. |
||||||||
Чтобы приобрести понравившийся товар, необходимо его заказать. Есть несколько сценариев того, как это можно сделать.
- Выбрать понравившийся товар и нажать кнопку «Заказать». При оформлении заказа заполнить форму. Вписать информацию в поля: ФИО, телефон и e-mail. Затем вам перезвонит менеджер, чтобы подтвердить ваше согласие на совершение покупки.
- Выбрать понравившийся товар и нажать кнопку «В корзину». Затем перейти в корзину и нажать «Оформить заказ». Далее заполнить форму с контактными данными и отправить заявку. С вами свяжется менеджер для дальнейшего обсуждения.
- Перейти в карточку товара и нажать «Купить в один клик». После нажатия нужно заполнить форму и отправить заявку. С вами свяжется менеджер для дальнейшего обсуждения.
Мы работаем с физическими и юридическими лицами. И предоставляем сразу два варианта оплаты.
- Наличные. Вы подписываете товаросопроводительные документы, расплачиваетесь денежными средствами, получаете товар и чек.
- Безналичный расчет. Принимаем карты Visa и MasterCard. Доступен при курьерской доставке.
Ваш заказ можем доставить собственными ресурсами, при условии вашего нахождения в городе. Либо через 4 варианта доставки:
- Курьерская доставка. Курьерская доставка работает с 9:00 до 19:00. Когда товар поступит на склад, курьерская служба свяжется для уточнения деталей. Специалист предложит выбрать удобное время доставки и уточнит адрес.
- Самовывоз из магазина. Для получения заказа обратитесь к сотруднику в кассовой зоне и назовите номер.
- Сотрудничаем с постаматами. Срок хранения — 3 дня.
- Предоставляем почтовую доставку через почту России. Когда заказ придет в отделение, на ваш адрес придет извещение о посылке. Вскрывать коробку самостоятельно вы можете только после оплаты заказа.
Дополнительная вкладка для размещения информации о товарах, доставке или любого другого важного контента. Поможет вам ответить на интересующие покупателя вопросы и развеять его сомнения в покупке. Используйте её по своему усмотрению.
Вы можете убрать её или вернуть обратно, изменив одну галочку в настройках компонента. Очень удобно.
