Настоящий стандарт распространяется на переходные сварные тройники для трубопроводов пара и горячей воды I и II категорий
СТО ЦКТИ 720.04-2009
ТРОЙНИКИ ПЕРЕХОДНЫЕ СВАРНЫЕ ДЛЯ ТРУБОПРОВОДОВ ПАРА И ГОРЯЧЕЙ ВОДЫ ТЕПЛОВЫХ СТАНЦИЙ
Взамен ОСТ 108.104.02-82
Область применения
Настоящий стандарт распространяется на переходные сварные тройники для трубопроводов пара и горячей воды I и II категорий (по классификации «Правил устройства и безопасной эксплуатации трубопроводов пара и горячей воды») с абсолютным давлением и температурой среды:
р = 37,27 МПа, t = 280°С
р = 23,54 МПа, t = 250°С Категория I.4
р = 23,54 МПа, t = 215°С
р = 18,14 МПа, t = 215°С
р = 4,31 МПа, t = 340 °С Категория II.2
р = 3,92 МПа, t = 200 °С Категория III.2
Конструкция и размеры
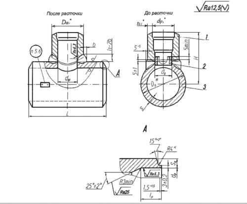
1 Конструкция и размеры тройников должны соответствовать указанным на рисунке 1 и в таблицах 1 и 2.
2 Допускается изготовление корпусов тройников с разделкой под сварку по типу С4 и С5 в соответствии с СТО ЦКТИ 10.003.
Технические требования
1 Сварочные материалы - по СТО ЦКТИ 10.003. Нормы оценки качества сварного соединения - согласно требованиям ПБ 10-573 (Приложение 8).
2 После сварки штуцер (поз. 1) растачивается напроход до диаметра dв1 с целью удаления подкладного кольца и корня шва.
3 Масса наплавленного металла уточняется технологическим процессом.
Масса тройников, указанная в таблице 1, - расчетная, приведена для справки.
4 Остальные технические требования - по СТО ЦКТИ 10.003.
5 Пример условного обозначения переходного сварного тройника исполнения 14 с условными проходами Dу600 и Dу1200:
ТРОИНИК ПЕРЕХОДНЫИ 600×200 14 СТО ЦКТИ 720.04

Чтобы приобрести понравившийся товар, необходимо его заказать. Есть несколько сценариев того, как это можно сделать.
- Выбрать понравившийся товар и нажать кнопку «Заказать». При оформлении заказа заполнить форму. Вписать информацию в поля: ФИО, телефон и e-mail. Затем вам перезвонит менеджер, чтобы подтвердить ваше согласие на совершение покупки.
- Выбрать понравившийся товар и нажать кнопку «В корзину». Затем перейти в корзину и нажать «Оформить заказ». Далее заполнить форму с контактными данными и отправить заявку. С вами свяжется менеджер для дальнейшего обсуждения.
- Перейти в карточку товара и нажать «Купить в один клик». После нажатия нужно заполнить форму и отправить заявку. С вами свяжется менеджер для дальнейшего обсуждения.
Мы работаем с физическими и юридическими лицами. И предоставляем сразу два варианта оплаты.
- Наличные. Вы подписываете товаросопроводительные документы, расплачиваетесь денежными средствами, получаете товар и чек.
- Безналичный расчет. Принимаем карты Visa и MasterCard. Доступен при курьерской доставке.
Ваш заказ можем доставить собственными ресурсами, при условии вашего нахождения в городе. Либо через 4 варианта доставки:
- Курьерская доставка. Курьерская доставка работает с 9:00 до 19:00. Когда товар поступит на склад, курьерская служба свяжется для уточнения деталей. Специалист предложит выбрать удобное время доставки и уточнит адрес.
- Самовывоз из магазина. Для получения заказа обратитесь к сотруднику в кассовой зоне и назовите номер.
- Сотрудничаем с постаматами. Срок хранения — 3 дня.
- Предоставляем почтовую доставку через почту России. Когда заказ придет в отделение, на ваш адрес придет извещение о посылке. Вскрывать коробку самостоятельно вы можете только после оплаты заказа.
Дополнительная вкладка для размещения информации о товарах, доставке или любого другого важного контента. Поможет вам ответить на интересующие покупателя вопросы и развеять его сомнения в покупке. Используйте её по своему усмотрению.
Вы можете убрать её или вернуть обратно, изменив одну галочку в настройках компонента. Очень удобно.
