Тройники переходные сварные для паропроводов тепловых станций
СТО ЦКТИ 720.19-2009
ТРОЙНИКИ ПЕРЕХОДНЫЕ СВАРНЫЕ ДЛЯ ПАРОПРОВОДОВ ТЕПЛОВЫХ СТАНЦИЙ. КОНСТРУКЦИЯ И РАЗМЕРЫ
Взамен ОСТ 108.104.12-82 «Тройники сварные переходные для паропроводов ТЭС. Конструкция и размеры»
Область применения
Настоящий стандарт распространяется на переходные сварные тройники для паропроводов тепловых станций с абсолютным давлением пара р ~ 4,02 МПа и температурой t = 545°С.
Конструкция и размеры
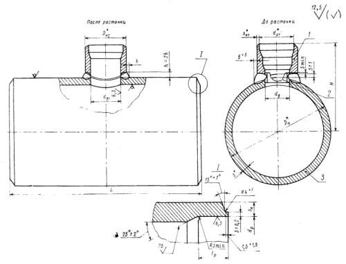
1 Конструкция и размеры тройников должны соответствовать указанным на рисунках 1 и 2 и в таблице 1.
2 Допускается изготовление корпусов тройников с разделкой под сварку по типу С4 и С5 в соответствии с СТО ЦКТИ 10.003.
Технические требования
1. Сварочные материалы - по СТО ЦКТИ 10.003. Нормы оценки качества сварного соединения - согласно требованиям ПБ 10-573 (Приложение 8).
2. После сварки штуцер (поз.1) растачивается напроход до диаметра d«i с целью удаления подкладного кольца и корня шва.
3. Материал корпуса (поз. 3) - смотри таблиц}' 2.
4. Масса наплавленного металла уточняется технологическим процессом. Масса тройников, указанная в таблице 1, - расчетная, приведена для справки.
5. Остальные технические требования - по СТО ЦКТИ 10.003.
6. Пример условного обозначения переходного сварного тройника исполнения 01 с условными проходами Dy400 и Dy/150:
ТРОЙНИК ПЕРЕХОДНЫЙ 400x150 01 СТО ЦКТИ 720.19
Чтобы приобрести понравившийся товар, необходимо его заказать. Есть несколько сценариев того, как это можно сделать.
- Выбрать понравившийся товар и нажать кнопку «Заказать». При оформлении заказа заполнить форму. Вписать информацию в поля: ФИО, телефон и e-mail. Затем вам перезвонит менеджер, чтобы подтвердить ваше согласие на совершение покупки.
- Выбрать понравившийся товар и нажать кнопку «В корзину». Затем перейти в корзину и нажать «Оформить заказ». Далее заполнить форму с контактными данными и отправить заявку. С вами свяжется менеджер для дальнейшего обсуждения.
- Перейти в карточку товара и нажать «Купить в один клик». После нажатия нужно заполнить форму и отправить заявку. С вами свяжется менеджер для дальнейшего обсуждения.
Мы работаем с физическими и юридическими лицами. И предоставляем сразу два варианта оплаты.
- Наличные. Вы подписываете товаросопроводительные документы, расплачиваетесь денежными средствами, получаете товар и чек.
- Безналичный расчет. Принимаем карты Visa и MasterCard. Доступен при курьерской доставке.
Ваш заказ можем доставить собственными ресурсами, при условии вашего нахождения в городе. Либо через 4 варианта доставки:
- Курьерская доставка. Курьерская доставка работает с 9:00 до 19:00. Когда товар поступит на склад, курьерская служба свяжется для уточнения деталей. Специалист предложит выбрать удобное время доставки и уточнит адрес.
- Самовывоз из магазина. Для получения заказа обратитесь к сотруднику в кассовой зоне и назовите номер.
- Сотрудничаем с постаматами. Срок хранения — 3 дня.
- Предоставляем почтовую доставку через почту России. Когда заказ придет в отделение, на ваш адрес придет извещение о посылке. Вскрывать коробку самостоятельно вы можете только после оплаты заказа.
Дополнительная вкладка для размещения информации о товарах, доставке или любого другого важного контента. Поможет вам ответить на интересующие покупателя вопросы и развеять его сомнения в покупке. Используйте её по своему усмотрению.
Вы можете убрать её или вернуть обратно, изменив одну галочку в настройках компонента. Очень удобно.
